◆ 欢迎光临盛飞电阻公司网站,我们是专业生产铝壳电阻、康铜丝电阻、大小功率绕线电阻、无感水泥电阻、汽车LED电阻、黄金铝壳电阻等各类电阻器的厂家;请直接电话0755-28232573、18923813859 朱先生,联络咨询,谢谢!  

 ·自动访问 ·加入收藏 ·企业邮局

产品搜索

产品分类
您的位置:首 页 >> 产品中心 >> RX水泥电阻器(H型、HG型)  
RX水泥电阻器(H型、HG型) 点击这里立即在线留言 客服QQ:点击这里给我的QQ发消息
 产品说明

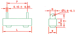
RX H型 尺寸图

RX HG型 尺寸图

RX H型 尺寸表 

功率(W)

外形尺寸(MM)

阻值范围(Ω)

W±1 H±1 L±1.5 P± 2 H1± 1 D±0.5 KN MO
10 7 10 48 33 22 7 0.5-600 601-50K
15 11.5 8 48 33 22 7 1-600 6011-150K
20 13.5 9 64 45 22 6 1-1K 1K1-150K
30 19 9 75 55 31 8 1-2K  
40 19 91 92 67 31 8 1-2K  
RX HG型 尺寸表 

功率(W)

外形尺寸(MM)

阻值范围(Ω)

E±1 W±1 F±1.5 1 D±2 P±2 H±1 G±1 KN MO
10 5 10 7 48 7 33 10 12 0.5-600 601-50K
15 5 12.5 9 48 7 33 12 12 1-600 601-150K
20 5 13.5 9 64 6 45 14 12 1-2K 1K1-150K
30 7 19 9 75 7.5 55 19 18    
40 7 19 9 92 7.5 67 19 18    

  <<上一个: RX 水泥电阻器(B型、M型)   >>下一个: RX水泥电阻器(S型、L型)

首页 公司简介 产品中心 供求信息 新闻动态 技术资讯 质量保障 人力资源 客户反馈 联系我们 顶部

中国企业官网大联盟
Copyright©2006- ShenZhen ShengFei Electronics Co.,Ltd. 深圳市盛飞电阻有限公司  All right reserved
业务电话:0755-28232573、28232786   图文传真:0755-28232786   电子邮箱:shengfeidz2007@163.com

技术支持:爱学海iXueHai.cn    访问统计:     粤ICP备18055098号-1